8x8防水輕觸開關
輕觸開關
撥動開關
按鍵開關
震動開關
微動開關
船型開關
檢測開關
USB插座
耳機插座
DC電源插座
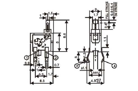
產品簡介:東莞市穎鑫電子科技有限公司是一家專業的進口輕觸開關TC-0030廠家,提供進口輕觸開關TC-0030批發、進口輕觸開關TC-0030價格及設計參數原理圖分享,質量優異,快速發貨,歡迎致電合作:0769-8363-2286。
產品價格:出廠報價、質量為先、量多優惠
穎鑫電子科技有限公司是一家開發、設計、生產銷售及各種開關.插座:振動開關,彈簧開關,撥動開關,葉片開關,輕觸開關,按鍵開關,耳機插座,DC插座。 用途: 本開關適用于,玩具,電動玩具,玩具公仔,防盜器,家用電器,手機數碼,電子通訊,電子游戲機,汽車防盜,智能化系統。
優點:體積小,壽命長,環保安全,美觀 包裝:常規包裝1000粒/包,可按照客戶要求進行包裝! 價格最低,質量最好!一直是我的宗旨! 我公司還專業代理:歐姆龍輕觸開關,進口輕觸開關,神明輕觸開關
撥動開關SS-23F33
撥動開關SS-23F35
輕觸開關TD-07XD
佛山撥動開關SS-23F54
震動彈簧開關003
輕觸開關TD-08XA
輕觸開關TD-08XD
葉片開關LSA-01
上一篇:中山輕觸開關TC-12ET
下一篇:貼片相機輕觸開關TC-0040