
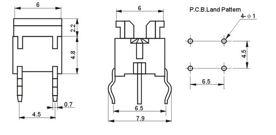
輕觸開關電氣性能:
|
使用溫度范圍 Temperature
|
-30~+70℃
|
耐壓 Withstand Voltage
|
AC250V(50Hz)/min
|
|
額定負荷 Rated Load
|
DC12V 50mA
|
動作力 Actuating Force
|
100~350G
|
|
接觸電阻 Contact Resistance
|
≤0.03Ω
|
壽命 Life
|
100000次
|
|
絕緣電阻 Insulation Resistance
|
≥100MΩ
|
輕觸開關用途:
產品廣泛用于收音機、玩具、電話、電視機、MP3、等電腦通訊器材、及家用電器等設備。
穎鑫電子科技有限公司是一家開發、設計、生產及銷售:
各種開關.插座:震動開關、振動開關、彈簧開關、滾珠開關、撥動開關、葉片開關、輕觸開關、按鍵開關、微動開關、
·做貨交期:接訂單7-15天內
·生產能力:350萬顆
·環保標準:ROHS,H.R.4040,ASTMF963,EN71-3,Phthalates,REACH等.
·服務對象:玩具行業,消費電子禮品廠家,家用電器廠家、數碼通訊等電子制品
·服務范圍:香港,臺灣,中國大陸,全國各個地區
上一篇:帶燈輕觸開關TC-09XA
下一篇:插件輕觸開關TC-0010