
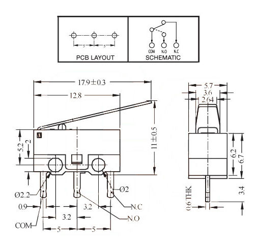
微動開關廠家/鼠標開關:穎鑫電子科技有限公司
是一家專業生產微動開關、鼠標開關的廠家。
主打產品有:微動開關、按鍵開關、輕觸開關、鼠標開關
適用于,鼠標,玩具,電動玩具,玩具公仔,家用電器,電子通訊,電子游戲機.
優點:體積小,壽命長,環保安全,美觀
包裝:常規包裝1000粒/包,可按照客戶要求進行包裝!
價格最低,質量最好!一直是我的宗旨!
公司從設計、制作、后加工、到送貨上門我們實行一站式服務;與您精誠合作,共創雙贏!
請記住我們的網站:http//www.switchcn.net
上一篇:微動開關MX-1383
下一篇:微動開關MX-1386