
穎鑫電子科技有限公司是一家開發、設計、生產銷售及各種開關.插座:振動開關,彈簧開關,撥動開關,葉片開關,輕觸開關,按鍵開關,耳機插座,DC插座。
用途:
本開關適用于,玩具,電動玩具,玩具公仔,防盜器,家用電器,手機數碼,電子通訊,電子游戲機,汽車防盜,智能化系統。
優點:體積小,壽命長,環保安全,美觀
包裝:常規包裝1000粒/包,可按照客戶要求進行包裝!
價格最低,質量最好!一直是我的宗旨!
公司從設計、制作、后加工、到送貨上門我們實行一站式服務;與您精誠合作,共創雙贏!
穎鑫電子科技有限公司——撥動開關專業制造商。
穎鑫撥動開關——高品質、高可靠性、符合歐盟RoHS環保標準。
穎鑫生產的撥動開關開關廣泛應用于收音機、玩具、電話、電視機、MP3、等電腦通訊器材、及家用電器等設備。
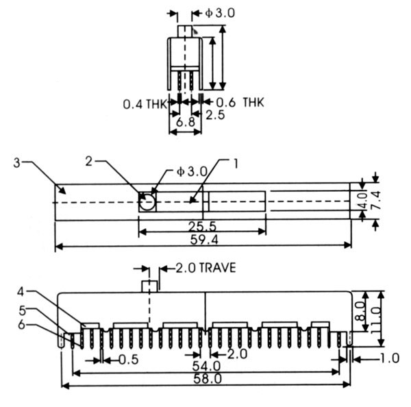
一、產品規格:
1.額定電壓:最大24VCD max
2.開關不常切換的額定電流:最大400mA
3.開關經常切換的額定電流:最大150mA
4.絕緣阻抗:最小100mΩ
二、機械性能:
1.電器壽命:10,000 次
2.位數:2檔--6檔
3.使用溫度:-20℃~+70℃
三、焊接和清洗過程:
1.手焊:溫度控制在200℃,焊接時間大約10秒鐘
2.波焊:溫度控制在130℃,焊接時間大約2秒鐘
上一篇:撥動開關SS-411D01
下一篇:撥動開關SS-412D01